Voilà quelques mois j’ai mis la main sur deux éléments clés permettant de créer une maquette d’un central téléphonique électromécanique.
Il s’agit de deux uniselecteurs ; ce sont des relais à positions multiples disposées en arc :



On trouve encore quelques documents techniques :
Pour faire simple, en envoyant un train d’impulsions dans la bobine de l’uniselecteur on le fais avancer d’autant de positions que d’impulsions. Il est donc facile de le commander à l’aide d’un cadran téléphonique rotatif.

Un autre branchement est possible via un contact de l’uniselecteur on peut le faire avancer jusqu’à une position déterminée, par exemple une ligne active ou au contraire une position de repos.
En utilisant deux uniselecteurs tête-bêche, ainsi que quelques relais pour gérer la logique, on peut donc obtenir un mini central de téléphone de 10 lignes avec numérotation sur un seul chiffre permettant un seul appel à la fois.
Une première version à 5 lignes à été réalisée sur une planche en bois, cependant rien n’étant correctement fixé il était impensable de déplacer ce prototype :

J’ai ainsi pu évaluer l’encombrement de l’ensemble et me procurer un boitier vitré de marque Sarel afin de pouvoir protéger l’ensemble de la poussière.
Voici le résultat une fois le montage intégré au boitier, on devine sur la droite le bloc de 9 prises téléphoniques « internes » et la prise « ligne externe » :

Et voici une démonstration, le poste 1 appelle le poste 4, puis le poste 1 appelle le poste 9 qui est un répondeur, puis le poste 1 appelle le réseau et obtiens la tonalité extérieure :
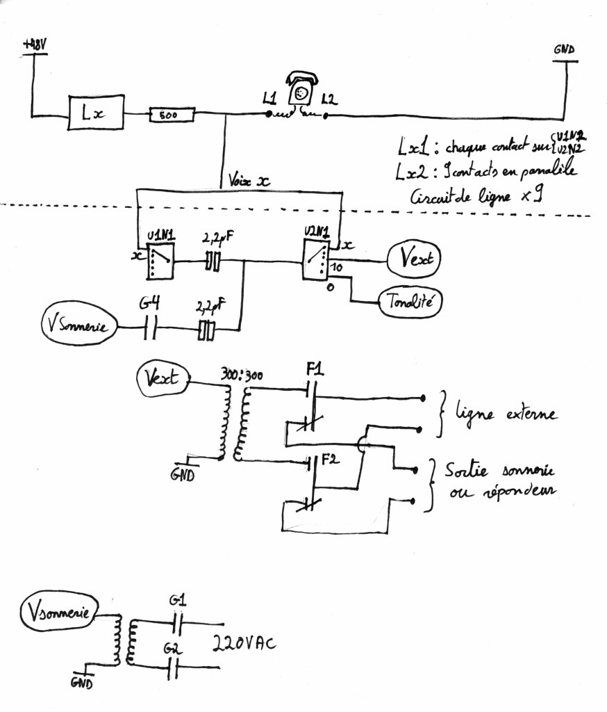
Le schéma à été recopié au propre (voir Erratum) :


Les 9 relais de ligne Lx sont des 12V à 4 contacts, les 7 autres, A à G, sont 48V à 4 contacts également. Sur le prototype le relais G n’existait pas, le transfo 48V de sonnerie était alimenté en permanence et chauffait. Les condensateurs et résistances ont été choisis au pif en fonction des stocks que j’avais.
Au repos, lorsque tous les combinés sont raccrochés, aucun relais n’est alimenté et la machine ne consomme pas.
Lorsqu’un téléphone décroche son relais de ligne colle, deux de ses contacts sont utilisés :
- Lx1 signale qu’il demande une communication
- Lx2, tous en parallèle, alimente l’uniselecteur U1
Lorsqu’il est alimenté, U1 est câblé pour avancer automatiquement sur chaque position. Lorsqu’il tombe sur une position ou le contact Lx1 est actif, le relais A colle et interrompt la chasse à la ligne.
Le relais A active le relais B qui est retardé à l’extinction grâce à un condensateur. Cela permet au relais B de rester collé lors de la numérotation par impulsions.
L’appel est alors transmis à l’uniselecteur U2. En position de repos, sur le contact de ligne (U2N1) on présente une tonalité invitant à la numérotation (qui n’est pas encore implémentée sur la maquette).
Lorsque l’appelant numérote, dès la première impulsion le relais C colle et se verrouille entraînant l’alimentation du relais D qui est retardé à l’allumage d’environ une seconde : c’est le temps nécessaire à la transmission de 10 impulsions. Une fois collé le relais D désactive la numérotation et active la sonnerie du poste appelé.
Chaque impulsion arrivant avant que le relais D ne colle est transmise à U2 qui avance d’un pas par impulsion. Dès la première impulsion, l’alimentation de U1 est coupée car elle se fait par la position de repos de U2.
Le relais E colle et se verrouille au décroché de l’appelé, il désactive la sonnerie.
Le relais F est un relais de jonction au réseau national, il est actif lorsqu’on compose le 0 et permet de prendre la ligne externe. Il est câblé sur le relais A via U2 afin de pouvoir transmettre des impulsions de numérotation. Un transformateur 600:600 est requis pour assurer l’isolation entre le réseau et le central (petite coquille sur le schéma j’ai indiqué 300:300 au lieu de 600:600).
Le relais G active un petit transformateur 48V AC qui sert de générateur de sonnerie, il est très limite tant en tension qu’en puissance et tous les téléphones ne sonnent pas correctement, le problème étant que si on augmente la puissance des sonneries il faudra aussi générer une tonalité sous peine d’abîmer les oreilles des appelants…
Au raccrochage deux scénarios sont possibles, si l’appelé raccroche en premier rien ne se passe jusqu’à ce que l’appelant ait raccroché. A ce moment U2 va se remettre en position de repos et la machine s’éteint. A noter dans ce cas, tant que l’appelant n’a pas raccroché, si l’appelé re-décroche il se retrouvera à nouveau en communication avec son appelant précédent.
Si l’appelant raccroche en premier alors U2 est libéré et retourne à la position de repos. Cela alimente à nouveau U1 via le relais de ligne du téléphone de l’appelé. U1 va alors à nouveau chasser la ligne active et tomber sur l’appelé. La tonalité lui sera alors proposée.
Ces comportements étaient déjà présents avec le matériel électromécanique comme l’explique Sarah :
Situation des blocs sur la maquette

- Vert : l’uniselecteur U1
- Orange : l’uniselecteur U2
- Rose : 9 relais de lignes Lx et le relais F en haut
- Bleu : générateur de sonnerie
- Rouge : Relais de logique A à G
- En bas : l’alimentation 48V
- A droite : les résistances de lignes
Les points restants à travailler sont :
- Ajouter une tonalité au moins
- Générateur de sonnerie trop faible
- Ajouter un relais temporisé pour que les sonneries ne soient pas continues
- Ajouter du filtrage sur les contacts commandant les uniselecteurs
Erratum :
Le dessin des contacts U1C et U2C laisse penser à des contacts NO mais il s’agit de contacts NC.
Il y à une erreur sur le schéma, le contact C4 sous le relais D est NC et non NO.
La prise de masse du relais D est déplacée après le contact A2, ainsi, le relais s’active dès la fin d’une numérotation lorsque la ligne reste fermée pendant plus d’un cycle. Le fonctionnement précédent correspondant à un délai de dix cycles ne permettait pas un fonctionnement fiable du relais.
Voici le schéma incluant ces deux modifications :
